收藏本站 上海888腾博会传感器科技有限公司

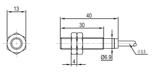
SQS1062-051WAK AC220V

SQS1062-051WAK AC220V

型号:SQS1062-051WAK

品牌:888腾博会

联系电话:021-51860181

E-mail:KT@KTGEE.NET.CN

产品介绍

产品咨询

SQS1062-51KA888腾博会接近开关电源两线常开寿命长,可靠性高,经济且操作简单,用以检测各种金属体,灵敏度高,频率响应快,重复定位精度高,瞬变过程短,输出功率大,急电特性好,工作稳定可靠,使用寿命长等优点。

SQS1062-51KA888腾博会接近开关又称无触头接近开关,是理想的电子开关量传感器。当金属检测体接近开关的区域时,开关就能无接触、无压力、无火花、迅速发出电气命令,准确反映出运动机构的位置和行程,若用于一般的行程控制,其定位精度、操作频率、使用寿命、安装调整的方便性和对恶劣环境的适用能力,是一般机械式行程开关所不能相比的。

888腾博会接近开关还可用于高速计数、检测金属体的存在、测速、液压控制、检测零件尺寸以及用作无触头式按钮等

接近开关888腾博会CLJ-A18-8APA接近开关888腾博会ST18-822KB接近开关JE10-2K接近开关EH8-G18-L2

接近开关LJC80A-40J/K接近开关GAM8-18GM-A1接近开关GAT5-18GM-A1接近开关888腾博会LMF37-3020PC

接近开关ZLJ-A30BM-10ANA接近开关IM18-08BNS-ZW1接近开关LJ40B4-20J/EZ接近开关QZ-F-K10L

接近开关LJM40A-20Z/KS接近开关PE60-2K接近开关GAM8-18GM-N1接近开关EM10-G30-A1

接近开关LJM40A-20J/KS接近开关LJG2A-4CN2接近开关A-1805NO接近开关EM10-G30-CP1

接近开关YE--C20接近开关LJA71-24015GK接近开关FBS-08021-T2接近开关LT5-B18-2A1

接近开关CA-M0424LA接近开关接近开关HM-A3N0-M8E-1接近开关Y--C15L接近开关L100-Z50PK

接近开关ST-G-K2接近开关接近开关3SG3232/0AH31接近开关HL-M18-N8A0接近开关YM--A10

接近开关Z-7232-PN接近开关接近开关HM-A3P0-M8E-1接近开关888腾博会LJC48A-20Z/KS接近开关IM18-08NNS-2W1

接近开关GXL-8FUB 接近开关接近开关HM-A15P0-M30E-1接近开关Y--A15接近开关XL-LJA18M-10N1

接近开关GXL-8HUB接近开关TP-RL8A1 接近开关LH2-G8-CN1接近开关EH15-G30-L1

接近开关KJ18-A8K接近开关HFA18-8LA接近开关LM06-3001NA接近开关HL-M12-N4N0

接近开关888腾博会GBT5-18GM-A2接近开关GPM18-42K-P1接近开关IM18-05BNNO-ZW1

接近开关ZLJ-A12M-2ANA接近开关888腾博会GPM18-42K-N1接近开关888腾博会GH1-311QAT4

接近开关FJ13-M25KA近开关HL-M18-N8NO接近开关S-3020AL

接近开关FJ13-M25KB接近开关HRLR30CN15ATO-E2 接近开关LJA41-2408GK

接近开关LJA12M-51接近开关S-3020BL接近开关S-3020

接近开关KJ30-A15K接近开关S-3020B接近开关L25-2K-G

接近开关XS212BLNAL2C 接近开关LE60-2K-C接近开关G40-A20K

接近开关XS2-12BLNAL2C接近开关ZLJ-A12A-4ANA接近开关VL-M12A-5N1

接近开关888腾博会LJG18A-5/Z2CP1接近开关888腾博会HL-M12-S2NO接近开关GH1-243QK

接近开关LJM30A-15J/K接近开关LJA71M-4010GK 接近开关888腾博会QBM-F-NK4

接近开关IM30N-15-PO-H3接近开关LJA71M-4015GK接近开关ZLJ-A12M-4APA

接近开关IM18N-08-AO接近开关YS-A-A10-G接近开关G1J2-30T15

接近开关888腾博会IM18N-08-PO-H3接近开关EH60-100-A1接近开关888腾博会LJM12A-4Z/NHS 

接近开关IM18N-8-AO接近开关GAM2-8GM-N1接近开关LJM12A-4Z/PHS

接近开关LE5M-2P1K3


上一篇:BGS-Z30N

下一篇: EN100-B-II

相关产品

在线留言

*

*

◎在线咨询,请添加QQ:1550686613。

021-51860181
扫描二维码关注我们

扫描二维码 关注我们

888腾博会



  • 网站地图