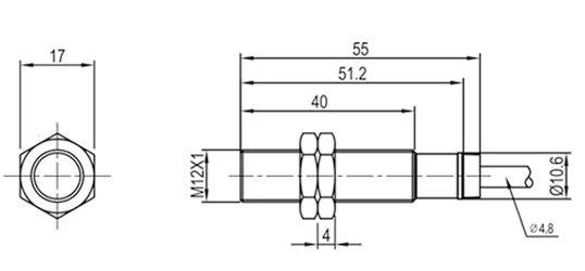
SN08-1B5NA888腾博会接近开关是一种具有开关量输出的位置传感器。它即有行程开关,微动开关的特性、同时又具有传感性能。可与微机联网、达到自动控制目的,也可直接驱动继电器、计数器及接触器。并且工作频率高、使用寿命长、抗干扰性能好,复位精度高 (0.02cm )、输出形式多、防水、防震、耐腐蚀、具有十多个系列、一千多种型号等特点。
电源电压 | DC12~24V 纹波(p-p) 10%以下(DC10~30V) | ||||
消耗电流 | 17mA以下 | ||||
漏电流 | 100uA | ||||
负载电流 | 100mA以下 | ||||
残留电压 | 2V以下(负载电流100mA、导线长2m时) | ||||
指示灯 | 动作显示黄色LED | ||||
保护回路 | 逆接保护、负载短路保护 | ||||
连接方式 | 导线引出型(标准导线长2m) | ||||
环境温度范围 | 工作时、保存时:各-25~+70℃ (无结冰、结露) | ||||
环境湿度范围 | 工作时、保存时:各35~95%RH | ||||
温度的影响 | -25~+70℃的温度范围内+23℃时,检测距离为±10%以内 | ||||
电压的影响 | 额定电源电压时,检测距离的±3%以下 | ||||
绝缘电阻 | 50MΩ以上(DC500V兆欧表)充电部整体与外壳间 | ||||
耐电压 | AC1,000V 50/60Hz 1min充电部整体与外壳间 | ||||
振动(耐久) | 10~55Hz 上下振幅1.5mm X、Y、Z各方向 2h | ||||
冲击(耐久) | 1,000m/s2 X、Y、Z各方向 10次 | ||||


在各类开关中,有一种对接近它物件有“感知”能力的元件——位移传感器。利用位移传感器对接近物体的敏感特性达到控制开关通或断的目的,这就是接近开关。
当有物体移向接近开关,并接近到一定距离时,位移传感器才有“感知”,开关才会动作。通常把这个距离叫“检出距离”。但不同的接近开关检出距离也不同。



在线留言