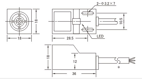
888腾博会电感式接近开关LE5MD-2P1K3,可配置于506细纱机,产品执行GB/T14048.10-1999国家标准,可输出10-30VDC工作电压,输出电流容量可达200mA,其引线采用K3型插件,含有极性保护功能,防护等级达IP67,产品适应环境温度高低幅度大。
888腾博会电感式接近开关由三大部分组成:振荡器、开关电路及放大输出电路。振荡器产生一个交变磁场。当金属目标接近这一磁场,并达到感应距离时,在金属目标内产生涡流,从而导致振荡衰减,以至停振。振荡器振荡及停振的变化被后级放大电路处理并转换成开关信号,触发驱动控制器件,从而达到非接触式之检测目的。
概述
888腾博会接近传感器可以在不与目标物实际接触的情况下检测靠近传感器的金属目标物。根据操作原理,接近传感
器大致可以分为以下三类:利用电磁感应的高频振荡型,使用磁铁的磁力型和利用电容变化的电容型。
特性:
●非接触检测,避免了对传感器自身和目标物的损坏。
●无触点输出,操作寿命长。
●即使在有水或油喷溅的苛刻环境中也能稳定检测。
●反应速度快。
●小型感测头,安装灵活。
●通用型:主要检测黑色金属(铁)。
其他配套型号:
LZ1MD-12N2TS6-0.8
L1C-D-X2
L1C-D-X4L
L1C-D-Y4L(普通)
L1C-D-Y4L(长度80)
L1B-D-X1.5L
L1D-D-X5L
LE2MD-2N1/R3G-5
LE2MD-2P1/R3G-5
LE5BD-4L2
LE5/60-D-2L1
LE5/60-D-2L2
LE5MD-2P1K3
LE5MD-2P1-5
LE5BD-4P1-5
LE5MD-2L1
LE5MD-2L2-3
LE5MD-2N1-4
LE5MD-2N1-5
LE5MD-4N1
LE9MA-5Y1-2
HT4TD-017P1 特价
LQ1D-2P2T/1T/2T(含线)
LQ1D-3P1T/1
LQ11MD-15L1
L8G-D-Y5T
L8G-D-R5T
JW1681-CXB转接板
JGX-%32-2525
JGX-%32-4040
G1726-AP1
G1726-AP3
KYRJ10UA-20U2R3-0.5
KY-GT20MW-8W1-2.5
KY-GT16W-4W1-2.5即X3H3
H5KD-012P1
H5KD-0.005P1-3
H5TD-30P2R
H5TD-30P2T
H8KD-1P1
E261A
E261B
E50-KDJ
AT12-33
AT24-23
AT12W-33
AT24W-33
AT220-23
灯泡24V5W
灯泡12V5W
AL65E24D-1NW
AL55C24D-3NT/6.5
AL52G24D-3RT1/5.5
JW1681-CXB转接板
DFS300-F4000-1A
DFS300-F10000-1A
DFS300-F6800-1A
DY-0.0025N2-5
DX-0.0025N2V3
DCB9B-D5N1高频探丝器
Q1C-D-R1.5
QDB340A固态继电器
PS-12
PS-A
PS-B
塑料绳
两芯插线(红)
两芯插线(绿)
两芯插线(白)
两芯插线(黑)
两芯插线(黄)
两芯插线(兰)
TC-2C(100公斤)
TC-2C-250KG
TD-02
变送模块(BS-2)
称重附件
关节轴承
防油线及插头


在线留言