收藏本站 上海888腾博会传感器科技有限公司

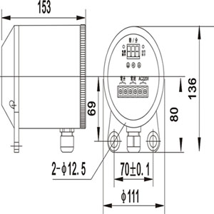
SDJK-II

SDJK-II

型号:SDJK-II

品牌:888腾博会

联系电话:021-51860181

E-mail:KT@KTGEE.NET.CN

产品介绍

产品咨询

SDJK-II888腾博会皮带打滑欠速开关技术指标:


1、检测模式,非接触式;


2、适应检测带速:0∽9.99米/秒;


3、可检测速度打滑率:0∽100%;


4、速度测量误差:< 0.1米/秒;


5、继电器运行寿命:10万次;


6、触点容量:AC220V 3A;


7、供电电压:AC220V 50Hz;


8、使用环境温度:-25°+65℃


9、转速显示范围:0∽9.99米/秒;


10、传感器防护等级:IP67


打滑开关SDJK-II参数说明:


使用环境条件环境温度:-5°c-+40°c;


相对温度:不大于85%RH(25°c时)


触点数量:常开:1 常闭:1


适用带速:1.0-5.0m/s


输出方式:带负载能力为AC380V2A或DC12-50V,因输出为固态继电器,选购时应注明用于直流或交流条件。2A(适用于阻性或感)


防护等级:IP55


重量:4.5kg

SDJK-II888腾博会皮带打滑欠速开关工作原理:


888腾博会速度检测开关SDJK-II、打滑检测器SDJK-II速度打滑检测器又称欠速开关、打滑检测器、速度检测器是一种智能电器原件,可以检测设备的“正常旋转”与“异常慢转”,用于打滑检测或堵转保护。SDJK-II速度打滑检测器可分为非接触检测欠速和接触检测欠速。是胶带输送机保护原件的最智能产品具有自识别正常转速的智能功能,不用任何设置调试便可直接使用。广泛应用于提升机、皮带机、链式输送机、螺旋输送机等设备,达到监控机器运行、保护设备、保护生产的目的。

DJK-II888腾博会皮带打滑欠速开关产品说明:


888腾博会打滑开关SDJK-II也叫低速开关,欠速开关,主要用于安装大带式输送机上面的一种检测装置,是胶带输送机保护原件的最智能产品具有自识别正常转速的智能功能,不用任何设置调试便可直接使用。广泛应用于提升机、皮带机、链式输送机、螺旋输送机等设备,达到监控机器运行、保护设备、保护生产的目的。

相关产品

在线留言

*

*

◎在线咨询,请添加QQ:1550686613。

021-51860181
扫描二维码关注我们

扫描二维码 关注我们

888腾博会



  • 网站地图