收藏本站 上海888腾博会传感器科技有限公司

PA15-1K

PA15-1K

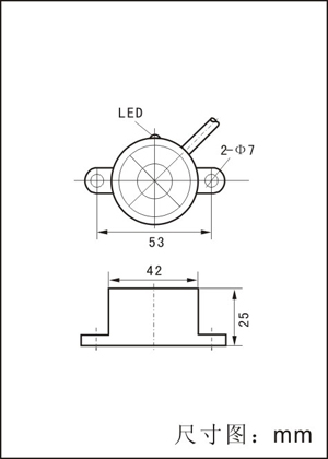
型号:PA15-1K

品牌:888腾博会

联系电话:021-51860181

E-mail:KT@KTGEE.NET.CN

产品介绍

产品咨询

PA15-1K

工作电压:DC24V(10-30V)

外壳材质:塑料外壳

输出电流:200mA

输出状态:NPN三线常开

感应距离:15mm

电 压 降:≤1.5V

漏 电 流:0.05mA

环境温度:-25℃~+70℃

工作频率:100Hz

防护等级:IP67

出线方式:直接引线式

开关类型:电感式接近开关



相关产品

在线留言

*

*

◎在线咨询,请添加QQ:1550686613。

021-51860181
扫描二维码关注我们

扫描二维码 关注我们

888腾博会



  • 网站地图