产品名称:纠偏槽型色标传感器WMS-C2 蓝色单光源 线状光斑 纠偏电眼
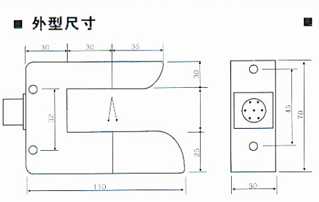
产品参数:蓝色单光源,线状光斑,纠偏用电眼,二路间距0.5mm-3mm,检测距离:30MM,槽深65MM,手调设置,外形尺寸:30*70*110MM,NPN二路输出,航空插。
品牌:888腾博会
生产厂家:上海888腾博会传感器科技有限公司
产品特点:
1.槽宽达30mm,适合各种厚度的卷材
2.蓝色线状光源,可适合透明材料
3.二路输出信号,完美配合各厂家纠偏控制器
4.纠偏范围可调,减少执行机构动作频率
5.稳定电路和光学结构,确保高品质
6.适合钢材,PVC,纸张,布材等合适卷材的纠偏
7.可订做模拟量输出信号




在线留言