上海888腾博会传感器科技有限公司接近开关特点:
可选择3、4、8、10、12、16、18、30、40、50MM从小到大检测距离接近开关
可生产直径超小M3/M4/M5系列接近开关,微小尺寸,牢固性结构,高性能灵活使用
全不锈钢外壳,坚固耐用,抗干扰能力强
可定制5-250V电压,不同平率,两线制产品
检测距离远,可订制两倍、三倍检测距离产品
3RG4023-0KB00-PF NO
Schließer
Cable
Kabel (eingegossen)
3RG4023-3KB00-PF NO
Schließer
Connector M12
Stecker M12
3RG4023-2KB00-PF NO
Schließer
Connector M18
Stecker M18
3RG4023-0KA00-PF NC
Öffner
Cable
Kabel (eingegossen)
3RG4023-3KA00-PF NC
Öffner
Connector M12
Stecker M12
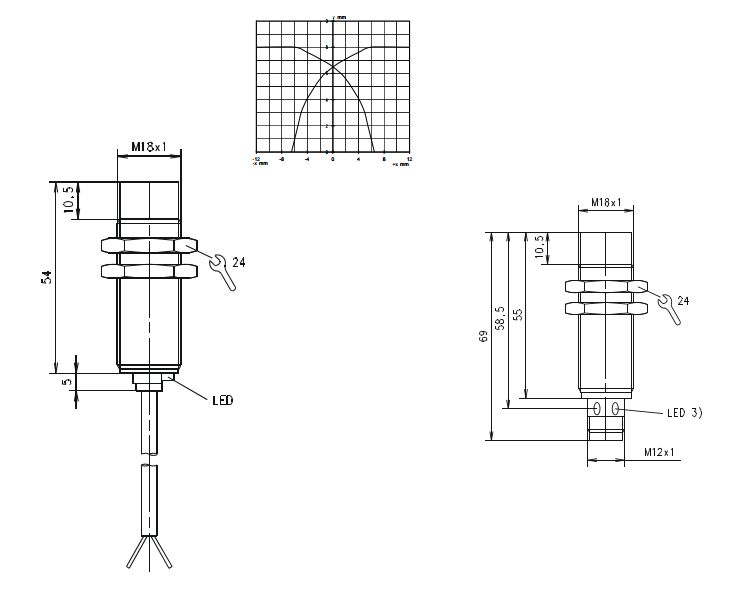
Size / Bauform cylindrical M18 / zylindrisch M18
Mounting / Einbau non-embeddable / nichtbündig
Operating distance / Schaltabstand
Rated operating distance /
Bemessungsschaltabstand
sn 8,0 mm
Effective operating distance /
Realschaltabstand
sr 7,2 ... 8,8 mm
Assured operating distance /
Gesicherter Schaltabstand
sa 6,5 mm
Standard target mild steel /
Meßplatte Stahlfahne St 37
24 x 24 x 1 mm
Repeat accuracy / Reproduzierbarkeit R 0,2 mm
Hysteresis / Hysterese H 0,04 ... 1,90 mm
Reduction factors / Reduktionsfaktoren Al: 0,40 Cu: 0,30
Ms: 0,40 Stainl. steel / Edelst.: 0,70
Power supply voltage /
Versorgungsspannung
Rated operational voltage /
Bemessungsbetriebsspannung
Ue 230 V AC / DC
Operating voltage range /
Betriebsspannungsbereich
UB 20 ... 320 V DC / 20 ... 265 V AC
No-load supply current / Leerlaufstrom lo typ 1 mA (bei 24 V); max. 1,5 mA (bei Umax)
max. ripple content / zul. Restwelligkeit
Output / Ausgang
Output / Ausgangsart 2 wire AC / DC; 2 Leiter AC / DC
Rated operational current /
Bemessungbetriebsstrom
le 300 mA
Output voltage drop / Spannungsfall max. Ud 8,0 V
minimum load current / Mindestlaststrom 5 mA
Short-circuit strength / Kurzschlußfestigkeit not built-in / nicht eingebaut
Overload withstand capability /
Überlastfestigkeit
not built-in / nicht eingebaut
Times / Zeiten
Frequency of operating cycles /
Schaltfrequenz
f DC: 340 / AC: 25 Hz
Time delay before availability /
Bereitschaftsverzug
tv 100 ms


在线留言