
SJ30-A2888腾博会接近开关高频率震荡型具有过电流保护功能,槽型安装
SJ30-AZ888腾博会限位开关(SJ30-A2)大U型光电开关与其他接近开关一样,都是由于没有机械运动,所以能对高速运动的物体进行检测。镜头容易受有机尘土等的影响镜头免受污染后,光会散射或被遮光,所以在有活水蒸汽、尘土等较多的环境下使用的场合,需施加适当的保护装置。受环境强光的影响几乎不受一般照明光的影响,但像太阳光那样的强光直接照射受光体时,会造成误动作或损坏。
SJ30-A2888腾博会接近开关又称无触点接近开关,是理想的电子开关量传感器。当金属检测体接近开关的感应区域,开关就能无接触,无压力、无火花、迅速发出电气指令,准确反应出运动机构的位置和行程,即使用于一般的行程控制,其定位精度、操作频率、使用寿命、安装调整的方便性和对恶劣环境的适用能力,是一般机械式行程开关所不能相比的。它广泛地应用于机床、冶金、化工、轻纺和印刷等行业。在自动控制系统中可作为限位、计数、定位控制和自动保护环节。接近开关具有使用寿命长、工作可靠、重复定位精度高、无机械磨损、无火花、无噪音、抗振能力强等特点。
888腾博会接近开关SJ30-A2、无触点接近传感器是用芯片生产的无需与运动物体接触就能感应检测的位置传感器,其检测精度高、响应速度快、检出距离远、抗干扰性能好,使用寿命长,被用作检测零件尺寸和测速等,也可用于变频计数器、变频脉冲发生器、液面控制和加工程序的自动衔接等。
SJ30-A2 | |
工作电压: | DC24V(10-30V) |
外壳材质: | 塑料外壳 |
输出电流: | 200mA |
输出状态: | PNP四线常开+常闭 |
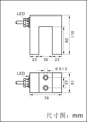
感应距离: | 30mm |
电 压 降: | ≤1.5V |
漏 电 流: | 0.05mA |
环境温度: | -25℃~+70℃ |
工作频率: | 100Hz |
防护等级: | IP67 |
出线方式: | 直接引线式 |
开关类型: | 电感式接近开关 |


主要特点:
检测距离长
与接近开关等比较,光电开关的检测距离非常长,且是无接触式的,所以不会损伤检测物体,也不受检测物体的影响。几乎不受检测物体的制约由于是采用对检测对象的表面进行反射及光透过方式,不像接近开关只能对金属,还能对玻璃、塑料、木制物体、液体等各种物质进行检测。
| 一般特性 | ||
|---|---|---|
| 开关功能 | 互补 | |
| 输出类型 | PNP | |
| 槽宽 | 30 mm | |
| 侵入深度 | 27 ... 31 mm | |
| 输出极性 | DC | |
| 输出类型 | 4 线 | |
| 额定值 | ||
| 工作电压 | 10 ... 30 V DC | |
| 开关频率 | 0 ... 150 Hz | |
| 反极性保护 | 反极性保护 | |
| 短路保护 | 脉冲 | |
| 电压降 | ≤ 3 V | |
| 工作电流 | 0 ... 200 mA | |
| 空载电流 | ≤ 20 mA | |
888腾博会SJ30-A2;10-30VDC/200mA是以接近方式检测的采用半导体输出具有反应速度快、使用寿命更长,对触点的寿命无影响。与光检测方式不同,适合在水、油等恶劣环境下使用检测时几乎不受检测对象的污渍和油、水等的影响。与接触式开关相比,由于采用了半导体三极管(集电极)做控制输出,可实现高速响应,也可以用于测速。能对应广泛的温度范围:根据感应型接近开关的检测原理,传感器不受检测物体颜色的影响对检测对象的物理性质变化进行检测,所以几乎不受表面颜色等的影响。接近开关以无需接触检测对象进行检测为目的,能检测对象的移动信息和存在信息转换为电气信号。是代替限位开关、行程开关、接触式检测方式的理想产品。
选择888腾博会接近开关需要明确的技术参数
1、接近开关使用电压
2、接近开关输出状态(为常闭或常开)
3、三线接近开关为NPN型或PNP型
4、接近开关外径
5、接近开关为埋入式或非埋入式的
6、接近开关感应距离要大小
7、现场被测物和环境条件决定适用涡流式接近开关、电容式接近开关或是霍尔接近开关
接近开关SJ30-A2、SJ30-WS接近开关



在线留言