产品主要用途: *3D打印机 *半导体制造设备 *印刷电路板 IC组装设备 *设备 *机器手臂 *精密量测机器 *办公自动化设备 *非标自动化设备 *其他小型直线滑动装置

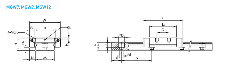
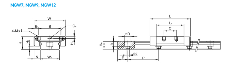
| 组件尺寸 | H | 14 | mm |
| H1 | 3.4 | mm | |
| N | 8 | mm | |
| 滑块尺寸 | W | 40 | mm |
| B | 28 | mm | |
| B1 | 6 | mm | |
| C | 28 | mm | |
| L1 | 45.6 | mm | |
| L | 60.4 | mm | |
| G | mm | ||
| Gn | Φ1.2 | mm | |
| Mxl | M3x3.6 | mm | |
| H2 | 2.8 | mm | |
| 导轨尺寸 | WR | 24 | mm |
| WB | - | mm | |
| HR | 8.5 | mm | |
| D | 8 | mm | |
| h | 4.5 | mm | |
| d | 4.5 | mm | |
| P | 40 | mm | |
| E | 15 | mm | |
| 导轨的固定螺栓尺寸 | 导轨的固定螺栓尺寸 | M4x8 | mm |
| 基本额定负荷 | 动负荷C | 5.1 | kN |
| 静负荷C0 | 8.24 | kN | |
| 容许静力矩 | MR | 102.7 | kN-m |
| Mp | 57.37 | kN-m | |
| My | 57.37 | kN-m | |
| 重量 | 滑块 | 0.103 | kg |
| 导轨 | 1.49 | kg/ m |
MGW12H产品规格说明:
非互换性型及互换性型两种直线导轨,两者规格尺寸相同,主要差异点在于互换性型之滑块、导轨可单出互换使用,较便利,但其组合精度无法达到非互换性型之精度需求,,互换性型之组合精度目前已达到一定的水平,对不需配对安装直线导轨的客户而言,是一项很好的选择。
产品型号主要标明系列、尺寸、型式、精度等级、预压等规格要求,以利订货时双方对产品的确认。
MGW12H导轨有钢珠保持器设计,在精度允许下具备互换性。MGW12H(宽幅) 加宽导轨的设计,大幅提升力矩负荷能力,可单轴使用。哥德型四点接触设计,可承受各种方向的负荷并具有高刚性的特点。 滑块装有微小型保持钢丝,取下滑块钢珠也不会脱落。 导轨、滑块及所有金属配件均采用不_钢材质,具抗腐蚀的特性。
应用: 半导体制造设备 印刷电路板IC组装设备 医疗设备 机器手臂 精密测量仪器 办公室自动化设备 其它小型直线滑动装置
MGW12H此产品采用轴承钢为主要原材料,具备高精度,适用于各种精密设备及自动化机械,其耐磨性能高,品质稳定,价格实惠.



在线留言